防爆螺杆式空气压缩机介绍:
一、矿用空压机的工作原理概述
矿用空压机是一种可以将大气中的空气压缩到高压的机器,由于其可以产生高压气体,在矿井或其它工程中被广泛应用。矿用空压机的工作原理是将空气通过机器内部压缩产生高压气体,与此同时,压缩机产生的热量通过冷却系统降低,从而达到机器内部的热平衡状态。其基本原理是将环境空气通过主机进行压缩,进而通过管路输送到所需地点。
二、空气油侵式滤清器的作用
空气油侵式滤清器是矿用空压机中必不可少的一个部件,其主要作用是过滤空气中的杂质和尘埃,保障机器内部的清洁。其过滤效率高,过滤精度达到3μm以上,保障了压缩机的正常运行,延长了机器使用寿命。
三、自清洗式冷却器:
空压机清洗装置主要利用高压气体喷射到被清洗物的表面,达到清洗效果,自清洗冷却装置系统节省了人力和时间成本,同时也提高了生产效率。
四、矿用空压机的维护保养
保养和维护矿用空压机是延长机器使用寿命和保障机器正常运行的重要环节。主要包括以下内容:
1. 定期清洗和更换空气滤清器。
2. 定期更换油液和检查油压是否正常。
3. 定期清洗冷却器表面,保证热交换效率。
4. 定期检查电机和主机的运行状况。
内部结构部件图:

| 1-机体外壳 | 2-外显压力表 | 3-防爆控制面板 | 4-防爆启动柜装置 | 5-防爆防撞装置总成 |
| 6-机体底架 | 7-防爆导轨轮 | 8-防爆启动柜装置支撑架 | 9-油滤总成 | 10-油气分离器总成 |
| 11-合页 | 12-安全阀 | 13-聚风圈总成 | 14-换热器总成 | 15- 高效率隔爆型三相异步电动机(风机) |
| 16-高效率隔爆型三相异步电动机(主电机) | 17-减震垫 | 18-中心托架 | 19-联轴器总成 | 20-螺杆主机总成 |
| 21-主机支撑架总成 | 22-进气阀总成 | 23-空气滤清器总成 | 24-油管总成 | 25-最小压力阀总成 |
| 26-防爆温度变送器总成 | 27-控制管路总成 | 28-防爆压力变送器总成 | 29-主机油气出口总成 | 30-排污阀门 |
| 31-风机支撑架 |
|
|
|
|
主要技术参数:
标准工况:标准大气压:1atm,环境温度:≦40℃,相对大气湿度:50%下参数
| 序号 | 型号 | 功率(kw) | 转速rpm | 公称流量 m³/min | 额定排气压力 (MPA) | 电压(V)(可选) | 冷却方式(可选) | 外形尺寸(mm)不含 | 出气孔N |
| 1 | KALG-1.0/8 | 7.5 | 2980 | 1.0 | 0.8 | 380/660/1140 | 水/风 | 1100*850*1100 | G1 |
| 2 | KALG-1.5/8 | 11 | 2980 | 1.5 | 0.8 | 380/660/1140 | 水/风 | 1100*850*1100 | G1 |
| 3 | KALG-2.0/8 | 15 | 2980 | 2.0 | 0.8 | 380/660/1140 | 水/风 | 1100*850*1100 | G1 |
| 4 | KALG-2.9/8 | 18.5 | 2980 | 2.9 | 0.8 | 380/660/1140 | 水/风 | 1200*850*1100 | G1 |
| 5 | KALG-3.5/8 | 22 | 2980 | 3.5 | 0.8 | 380/660/1140 | 水/风 | 1200*850*1100 | G1 |
| 6 | KALG-4.8/8 | 30 | 2980 | 4.8 | 0.8 | 380/660/1140 | 水/风 | 1400*1100*1250 | G1.2 |
| 7 | KALG-6/8 | 37 | 2980 | 6.0 | 0.8 | 380/660/1140 | 水/风 | 1400*1100*1250 | G1.2 |
| 8 | KALG-7/8 | 45 | 2980 | 7.0 | 0.8 | 380/660/1140 | 水/风 | 1700*1350*1550 | G1.5 |
| 9 | KALG-10/8 | 55 | 2980 | 10.0 | 0.8 | 380/660/1140 | 水/风 | 1700*1350*1550 | G1.5 |
| 10 | KALGII-13/8 | 55 | 2980 | 13.0 | 0.8 | 380/660/1140 | 水/风 | 2100*1250*1600 | G1.5 |
| 11 | KALG-13/8 | 75 | 2980 | 13.0 | 0.8 | 380/660/1140 | 水/风 | 2100*1250*1600 | G1.5 |
| 12 | KALG-16/8 | 90 | 2980 | 16 | 0.8 | 380/660/1140 | 水/风 | 2100*1250*1600 | G1.5 |
| 13 | KALG-20/8 | 110 | 2980 | 20 | 0.8 | 380/660/1140 | 水/风 | 2300*1450*1700 | G2 |
| 14 | KALGII-22/8 | 132 | 2980 | 24 | 0.8 | 380/660/1140 | 水/风 | 2300*1450*1700 | G2 |
| 15 | KALG-26/8 | 160 | 2980 | 26 | 0.8 | 380/660/1140 | 水/风 | 2800*1800*2000 | G2.5 |
| 16 | KALGII-18/18 | 160 | 2980 | 18 | 1.8 | 380/660/1140 | 水/风 | 2800*1800*2000 | G2.5 |
| 17 | KALGII-32/8 | 160 | 2980 | 30 | 0.8 | 380/660/1140 | 水/风 | 2800*1800*2000 | G2.5 |
| 18 | KALGII-20/20 | 185 | 2980 | 20 | 2.0 | 380/660/1140 | 水/风 | 3100*2050*2300 | DN80(法兰) |
| 19 | KALG-39/8 | 185 | 2980 | 39 | 0.8 | 380/660/1140 | 水/风 | 3100*2050*2300 | DN80(法兰) |
| 20 | KALG-36/8 | 220 | 2980 | 36 | 0.8 | 380/660/1140 | 水/风 | 3100*2050*2300 | DN80(法兰) |
| 21 | KALGII-42/8 | 200 | 2980 | 42 | 0.8 | 380/660/1140 | 水/风 | 3100*2050*2300 | DN80(法兰) |
| 22 | KALGII-44/8 | 220 | 2980 | 44 | 0.8 | 380/660/1140 | 水/风 | 3250*2100*2350 | DN100(法兰) |
| 23 | KALGII-50/8 | 250 | 2980 | 50 | 0.8 | 380/660/1140 | 水/风 | 3250*2100*2350 | DN100(法兰) |
注意:(1)额定排气压力适用范围:60%≦P≦110% (2)本参数保留设计更改权,若有更改,恕不另行通知。
支持异种电压和频率,支持变频和永磁变频,支持高寒、高热、高原、高尘,轻度腐蚀环境设计,支持天然气、煤层气和部分化工伴生气体等特殊气体,支持<4.0Mpa排气压力的设计,支持无油无水洁净气体的设计,支持预热利用设计,支持气体加温的设计,支持特殊空间限制的设计,支持双螺杆双级压缩的的设计。
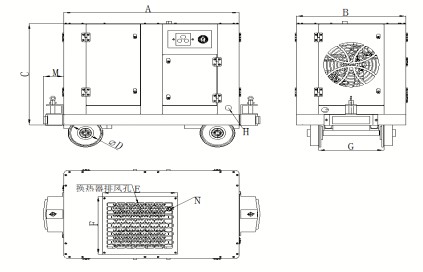
外形尺寸参数:
37KW及以下示意图

55KW及以上示意图
