
25年专注空压机研发、生产销售与服务
诚信 | 合作 | 守则 | 回报
ECOLOGY CONSERVATION OPTIMIZATON
Get more below
质量筑品牌
服务创未来
咨询热线:
135-8341-1129

‹

›
‹

›
防爆螺杆式空气压缩机介绍:
防爆螺杆式空气压缩机是应用到化工、石油、矿井等周围有危害的环境中,它分为两大类,煤矿用螺杆式移动空气压缩机和非煤矿类(化工)防爆螺杆式空气压缩机。它主要是有进气阀、空气滤清器总成、防爆配电装置、高效率隔爆型三相异步电动机、防爆压力和温度变送器、螺杆主机、油气分离器、最小压力阀、换热器以及保护装置和各种管路等组成。本产品采用的电气防爆元器件,符合国家标准GB3836.1-2010、GB3836.2-2010、GB3836.3-2010、GB3836.4-2010等里面的相关规定并且具有相关的防爆合格证的产品。

内部结构部件图:

| 1-机体外壳 | 2-外显压力表 | 3-防爆控制面板 | 4-防爆启动柜装置 | 5-防爆防撞装置总成 |
| 6-机体底架 | 7-防爆导轨轮 | 8-防爆启动柜装置支撑架 | 9-油滤总成 | 10-油气分离器总成 |
| 11-合页 | 12-安全阀 | 13-聚风圈总成 | 14-换热器总成 | 15- 高效率隔爆型三相异步电动机(风机) |
| 16-高效率隔爆型三相异步电动机(主电机) | 17-减震垫 | 18-中心托架 | 19-联轴器总成 | 20-螺杆主机总成 |
| 21-主机支撑架总成 | 22-进气阀总成 | 23-空气滤清器总成 | 24-油管总成 | 25-最小压力阀总成 |
| 26-防爆温度变送器总成 | 27-控制管路总成 | 28-防爆压力变送器总成 | 29-主机油气出口总成 | 30-排污阀门 |
| 31-风机支撑架 |
主要技术参数:
标准工况:标准大气压:1atm,环境温度:≦40℃,相对大气湿度:50%下参数
| 序号 | 型号 | 功率(kw) | 转速(rpm) | 公称流量 m³/min | 额定排气压力 (MPA) | 电压(V)(可选) | 冷却方式(可选) | 润滑方式(可选) | 防护等级 | 防爆等级 |
| 1 | BLG-1.0/8 | 7.5 | 2980 | 1.0 | 0.8 | 380/660/1140 | 水/风 | 水/油 | IP54 | BT4 |
| 2 | BLG-1.5/8 | 11 | 2980 | 1.5 | 0.8 | 380/660/1140 | 水/风 | 水/油 | IP54 | BT4 |
| 3 | BLG-2.0/8 | 15 | 2980 | 2.0 | 0.8 | 380/660/1140 | 水/风 | 水/油 | IP54 | BT4 |
| 4 | BLG-2.9/8 | 18.5 | 2980 | 2.9 | 0.8 | 380/660/1140 | 水/风 | 水/油 | IP54 | BT4 |
| 5 | BLG-3.5/8 | 22 | 2980 | 3.5 | 0.8 | 380/660/1140 | 水/风 | 水/油 | IP54 | BT4 |
| 6 | BLG-4.8/8 | 30 | 2980 | 4.8 | 0.8 | 380/660/1140 | 水/风 | 水/油 | IP54 | BT4 |
| 7 | BLG-6/8 | 37 | 2980 | 6.0 | 0.8 | 380/660/1140 | 水/风 | 水/油 | IP54 | BT4 |
| 8 | BLG-7/8 | 45 | 2980 | 7.0 | 0.8 | 380/660/1140 | 水/风 | 水/油 | IP54 | BT4 |
| 9 | BLG-10/8 | 55 | 2980 | 10.0 | 0.8 | 380/660/1140 | 水/风 | 水/油 | IP54 | BT4 |
| 10 | BLG-13/8 | 75 | 2980 | 13.0 | 0.8 | 380/660/1140 | 水/风 | 水/油 | IP54 | BT4 |
| 11 | BLG-16/8 | 90 | 2980 | 16 | 0.8 | 380/660/1140 | 水/风 | 水/油 | IP54 | BT4 |
| 12 | BLG-20/8 | 110 | 2980 | 20 | 0.8 | 380/660/1140 | 水/风 | 水/油 | IP54 | BT4 |
| 13 | BLG-24/8 | 132 | 2980 | 24 | 0.8 | 380/660/1140 | 水/风 | 水/油 | IP54 | BT4 |
| 14 | BLG-26/8 | 160 | 2980 | 26 | 0.8 | 380/660/1140 | 水/风 | 水/油 | IP54 | BT4 |
| 15 | BLG-30/8 | 185 | 2980 | 30 | 0.8 | 380/660/1140 | 水/风 | 水/油 | IP54 | BT4 |
| 16 | BLG-0.85/10 | 7.5 | 2980 | 0.85 | 1.0 | 380/660/1140 | 水/风 | 水/油 | IP54 | BT4 |
| 17 | BLG-1.0/10 | 11 | 2980 | 1.0 | 1.0 | 380/660/1140 | 水/风 | 水/油 | IP54 | BT4 |
| 18 | BLG-1.5/10 | 15 | 2980 | 1.5 | 1.0 | 380/660/1140 | 水/风 | 水/油 | IP54 | BT4 |
| 19 | BLG-2.0/10 | 18.5 | 2980 | 2.0 | 1.0 | 380/660/1140 | 水/风 | 水/油 | IP54 | BT4 |
20 | BLG-3.0/10 | 22 | 2980 | 3.0 | 1.0 | 380/660/1140 | 水/风 | 水/油 | IP54 | BT4 |
| 21 | BLG-4.0/10 | 30 | 2980 | 4.0 | 1.0 | 380/660/1140 | 水/风 | 水/油 | IP54 | BT4 |
| 22 | BLG-5/10 | 37 | 2980 | 5.0 | 1.0 | 380/660/1140 | 水/风 | 水/油 | IP54 | BT4 |
| 23 | BLG-6/10 | 45 | 2980 | 6.0 | 1.0 | 380/660/1140 | 水/风 | 水/油 | IP54 | BT4 |
| 24 | BLG-8/10 | 55 | 2980 | 8.0 | 1.0 | 380/660/1140 | 水/风 | 水/油 | IP54 | BT4 |
| 25 | BLG-10/10 | 75 | 2980 | 10.0 | 1.0 | 380/660/1140 | 水/风 | 水/油 | IP54 | BT4 |
| 26 | BLG-12/10 | 90 | 2980 | 12.0 | 1.0 | 380/660/1140 | 水/风 | 水/油 | IP54 | BT4 |
| 27 | BLG-16/10 | 110 | 2980 | 16.0 | 1.0 | 380/660/1140 | 水/风 | 水/油 | IP54 | BT4 |
| 28 | BLG-20/10 | 132 | 2980 | 20.0 | 1.0 | 380/660/1140 | 水/风 | 水/油 | IP54 | BT4 |
| 序号 | 型号 | 功率(kw) | 转速(rpm) | 公称流量 m³/min | 额定排气压力 (Mpa) | 电压(V)(可选) | 冷却方式(可选) | 润滑方式(可选) | 防护等级 | 防爆等级 |
| 29 | BLG-24/10 | 160 | 2980 | 24.0 | 1.0 | 380/660/1140 | 水/风 | 水/油 | IP54 | BT4 |
| 30 | BLG-26/10 | 185 | 2980 | 26.0 | 1.0 | 380/660/1140 | 水/风 | 水/油 | IP54 | BT4 |
| 31 | BLG-0.65/12.5 | 7.5 | 2980 | 0.65 | 1.25 | 380/660/1140 | 水/风 | 水/油 | IP54 | BT4 |
| 32 | BLG-0.85/12.5 | 11 | 2980 | 0.85 | 1.25 | 380/660/1140 | 水/风 | 水/油 | IP54 | BT4 |
| 33 | BLG-1/12.5 | 15 | 2980 | 1.0 | 1.25 | 380/660/1140 | 水/风 | 水/油 | IP54 | BT4 |
| 34 | BLG-1.5/12.5 | 18.5 | 2980 | 1.5 | 1.25 | 380/660/1140 | 水/风 | 水/油 | IP54 | BT4 |
| 35 | BLG-2.0/12.5 | 22 | 2980 | 2.0 | 1.25 | 380/660/1140 | 水/风 | 水/油 | IP54 | BT4 |
| 36 | BLG-3/12.5 | 30 | 2980 | 3.0 | 1.25 | 380/660/1140 | 水/风 | 水/油 | IP54 | BT4 |
| 37 | BLG-4/12.5 | 37 | 2980 | 4.0 | 1.25 | 380/660/1140 | 水/风 | 水/油 | IP54 | BT4 |
| 38 | BLG-5/12.5 | 45 | 2980 | 5.0 | 1.25 | 380/660/1140 | 水/风 | 水/油 | IP54 | BT4 |
| 39 | BLG-6/12.5 | 55 | 2980 | 6.0 | 1.25 | 380/660/1140 | 水/风 | 水/油 | IP54 | BT4 |
| 40 | BLG-8/12.5 | 75 | 2980 | 8.0 | 1.25 | 380/660/1140 | 水/风 | 水/油 | IP54 | BT4 |
| 41 | BLG-10/12.5 | 90 | 2980 | 10.0 | 1.25 | 380/660/1140 | 水/风 | 水/油 | IP54 | BT4 |
| 42 | BLG-12/12.5 | 110 | 2980 | 12.0 | 1.25 | 380/660/1140 | 水/风 | 水/油 | IP54 | BT4 |
| 43 | BLG-16/12.5 | 132 | 2980 | 16.0 | 1.25 | 380/660/1140 | 水/风 | 水/油 | IP54 | BT4 |
| 44 | BLG-20/12.5 | 160 | 2980 | 20.0 | 1.25 | 380/660/1140 | 水/风 | 水/油 | IP54 | BT4 |
| 45 | BLG-24/12.5 | 185 | 2980 | 24.0 | 1.25 | 380/660/1140 | 水/风 | 水/油 | IP54 | BT4 |
注意:(1)额定排气压力适用范围:60%≦P≦110% (2)本参数保留设计更改权,若有更改,恕不另行通知。
支持异种电压和频率,支持变频和永磁变频,支持高寒、高热、高原、高尘,轻度腐蚀环境设计,支持天然气、煤层气和部分化工伴生气体等特殊气体,支持<4.0Mpa排气压力的设计,支持无油无水洁净气体的设计,支持预热利用设计,支持气体加温的设计,支持特殊空间限制的设计,支持双螺杆双级压缩的的设计。
| 序号 | 型号 | 功率(kw) | 转速(rpm) | 公称流量 m³/min | 额定排气压力 (Mpa) | 电压(V)(可选) | 冷却方式(可选) | 润滑方式(可选) | 防护等级 | 防爆等级 |
| 1 | MLGF-1.0/8 | 7.5 | 2980 | 1.0 | 0.8 | 380/660/1140 | 水/风 | 水/油 | IP54 | MA |
| 2 | MLGF-1.5/8 | 11 | 2980 | 1.5 | 0.8 | 380/660/1140 | 水/风 | 水/油 | IP54 | MA |
| 3 | MLGF-2.0/8 | 15 | 2980 | 2.0 | 0.8 | 380/660/1140 | 水/风 | 水/油 | IP54 | MA |
| 4 | MLGF-3.0/8 | 18.5 | 2980 | 2.9 | 0.8 | 380/660/1140 | 水/风 | 水/油 | IP54 | MA |
| 5 | MLGF-4.0/8 | 22 | 2980 | 3.5 | 0.8 | 380/660/1140 | 水/风 | 水/油 | IP54 | MA |
| 6 | MLGF-5/8 | 30 | 2980 | 4.8 | 0.8 | 380/660/1140 | 水/风 | 水/油 | IP54 | MA |
| 7 | MLGF-6/8 | 37 | 2980 | 6.0 | 0.8 | 380/660/1140 | 水/风 | 水/油 | IP54 | MA |
| 8 | MLGF-7/8 | 45 | 2980 | 7.0 | 0.8 | 380/660/1140 | 水/风 | 水/油 | IP54 | MA |
| 9 | MLGF-10/8 | 55 | 2980 | 10.0 | 0.8 | 380/660/1140 | 水/风 | 水/油 | IP54 | MA |
| 10 | MLGF-13/8 | 75 | 2980 | 13.0 | 0.8 | 380/660/1140 | 水/风 | 水/油 | IP54 | MA |
| 11 | MLGF-16/8 | 90 | 2980 | 16 | 0.8 | 380/660/1140 | 水/风 | 水/油 | IP54 | MA |
| 12 | MLGF-20/8 | 110 | 2980 | 20 | 0.8 | 380/660/1140 | 水/风 | 水/油 | IP54 | MA |
| 13 | MLGF-24/8 | 132 | 2980 | 24 | 0.8 | 380/660/1140 | 水/风 | 水/油 | IP54 | MA |
| 14 | MLGF-26/8 | 160 | 2980 | 26 | 0.8 | 380/660/1140 | 水/风 | 水/油 | IP54 | MA |
| 15 | MLGF-30/8 | 185 | 2980 | 30 | 0.8 | 380/660/1140 | 水/风 | 水/油 | IP54 | MA |
| 16 | MLGF-0.85/10 | 7.5 | 2980 | 0.85 | 1.0 | 380/660/1140 | 水/风 | 水/油 | IP54 | MA |
| 17 | MLGF-1.0/10 | 11 | 2980 | 1.0 | 1.0 | 380/660/1140 | 水/风 | 水/油 | IP54 | MA |
| 18 | MLGF-1.5/10 | 15 | 2980 | 1.5 | 1.0 | 380/660/1140 | 水/风 | 水/油 | IP54 | MA |
| 19 | MLGF-2.0/10 | 18.5 | 2980 | 2.0 | 1.0 | 380/660/1140 | 水/风 | 水/油 | IP54 | MA |
20 | MLGF-3.0/10 | 22 | 2980 | 3.0 | 1.0 | 380/660/1140 | 水/风 | 水/油 | IP54 | MA |
| 21 | MLGF-4.0/10 | 30 | 2980 | 4.0 | 1.0 | 380/660/1140 | 水/风 | 水/油 | IP54 | MA |
| 序号 | 型号 | 功率(kw) | 转速(rpm) | 公称流量 m³/min | 额定排气压力 (Mpa) | 电压(V)(可选) | 冷却方式(可选) | 润滑方式(可选) | 防护等级 | 防爆等级 |
| 22 | MLGF-5/10 | 37 | 2980 | 5.0 | 1.0 | 380/660/1140 | 水/风 | 水/油 | IP54 | MA |
| 23 | MLGF-6/10 | 45 | 2980 | 6.0 | 1.0 | 380/660/1140 | 水/风 | 水/油 | IP54 | MA |
| 24 | MLGF-8/10 | 55 | 2980 | 8.0 | 1.0 | 380/660/1140 | 水/风 | 水/油 | IP54 | MA |
| 25 | MLGF-10/10 | 75 | 2980 | 10.0 | 1.0 | 380/660/1140 | 水/风 | 水/油 | IP54 | MA |
| 26 | MLGF-12/10 | 90 | 2980 | 12.0 | 1.0 | 380/660/1140 | 水/风 | 水/油 | IP54 | MA |
| 27 | MLGF-16/10 | 110 | 2980 | 16.0 | 1.0 | 380/660/1140 | 水/风 | 水/油 | IP54 | MA |
| 28 | MLGF-20/10 | 132 | 2980 | 20.0 | 1.0 | 380/660/1140 | 水/风 | 水/油 | IP54 | MA |
| 29 | MLGF-24/10 | 160 | 2980 | 24.0 | 1.0 | 380/660/1140 | 水/风 | 水/油 | IP54 | MA |
| 30 | MLGF-26/10 | 185 | 2980 | 26.0 | 1.0 | 380/660/1140 | 水/风 | 水/油 | IP54 | MA |
| 31 | MLGF-0.65/12.5 | 7.5 | 2980 | 0.65 | 1.25 | 380/660/1140 | 水/风 | 水/油 | IP54 | MA |
| 32 | MLGF-0.85/12.5 | 11 | 2980 | 0.85 | 1.25 | 380/660/1140 | 水/风 | 水/油 | IP54 | MA |
| 33 | MLGF-1/12.5 | 15 | 2980 | 1.0 | 1.25 | 380/660/1140 | 水/风 | 水/油 | IP54 | MA |
| 34 | MLGF-1.5/12.5 | 18.5 | 2980 | 1.5 | 1.25 | 380/660/1140 | 水/风 | 水/油 | IP54 | MA |
| 35 | MLGF-2.0/12.5 | 22 | 2980 | 2.0 | 1.25 | 380/660/1140 | 水/风 | 水/油 | IP54 | MA |
| 36 | MLGF-3/12.5 | 30 | 2980 | 3.0 | 1.25 | 380/660/1140 | 水/风 | 水/油 | IP54 | MA |
| 37 | MLGF-4/12.5 | 37 | 2980 | 4.0 | 1.25 | 380/660/1140 | 水/风 | 水/油 | IP54 | MA |
| 38 | MLGF-5/12.5 | 45 | 2980 | 5.0 | 1.25 | 380/660/1140 | 水/风 | 水/油 | IP54 | MA |
| 39 | MLGF-6/12.5 | 55 | 2980 | 6.0 | 1.25 | 380/660/1140 | 水/风 | 水/油 | IP54 | MA |
| 40 | MLGF-8/12.5 | 75 | 2980 | 8.0 | 1.25 | 380/660/1140 | 水/风 | 水/油 | IP54 | MA |
| 41 | MLGF-10/12.5 | 90 | 2980 | 10.0 | 1.25 | 380/660/1140 | 水/风 | 水/油 | IP54 | MA |
| 42 | MLGF-12/12.5 | 110 | 2980 | 12.0 | 1.25 | 380/660/1140 | 水/风 | 水/油 | IP54 | MA |
| 43 | MLGF-16/12.5 | 132 | 2980 | 16.0 | 1.25 | 380/660/1140 | 水/风 | 水/油 | IP54 | MA |
| 44 | MLGF-20/12.5 | 160 | 2980 | 20.0 | 1.25 | 380/660/1140 | 水/风 | 水/油 | IP54 | MA |
| 45 | MLGF-24/12.5 | 185 | 2980 | 24.0 | 1.25 | 380/660/1140 | 水/风 | 水/油 | IP54 | MA |
注意:(1)额定排气压力适用范围:60%≦P≦110% (2)本参数保留设计更改权,若有更改,恕不另行通知。
支持异种电压和频率,支持变频和永磁变频,支持高寒、高热、高原、高尘,轻度腐蚀环境设计,支持天然气、煤层气和部分化工伴生气体等特殊气体,支持<4.0Mpa排气压力的设计,支持无油无水洁净气体的设计,支持预热利用设计,支持气体加温的设计,支持特殊空间限制的设计,支持双螺杆双级压缩的的设计。
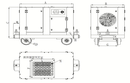
外形尺寸参数:
37KW及以下示意图

55KW及以上示意图

| 序号 | 型号 | 长(mm)A | 宽(mm)B | 高(mm)C | 防爆导轨轮直径(mm)D | 换热器排风孔(mm)(长*宽)E*F | 轮距(mm)G | 进线口直mmH | 防撞装置长度mmM | 出气孔N |
| 1 | BLG-1.0/8 | 1700 | 1100 | 1250 | / | 570*570 | / | 60 | / | M36-G1" |
| 2 | BLG-1.5/8 | 1700 | 1100 | 1250 | / | 570*570 | / | 60 | / | M36-G1" |
| 3 | BLG-2.0/8 | 1700 | 1100 | 1250 | / | 570*570 | / | 60 | / | M36-G1" |
| 4 | BLG2.9/8 | 1700 | 1100 | 1250 | / | 570*570 | / | 60 | / | M36-G1" |
| 5 | BLG-3.5/8 | 1700 | 1100 | 1250 | / | 570*570 | / | 60 | / | M36-G1" |
| 6 | BLG-4.8/8 | 2000 | 1300 | 1350 | / | 760*760 | / | 60 | / | G1¼" |
| 7 | BLG-6/8 | 2000 | 1300 | 1350 | / | 810*930 | / | 60 | / | G1½" |
| 8 | BLG-7/8 | 2300 | 1300 | 1450 | / | 810*930 | / | 60 | / | G1½" |
| 9 | BLG-10/8 | 2300 | 1300 | 1450 | / | 810*930 | / | 60 | / | G1½" |
| 10 | BLG-13/8 | 2500 | 1400 | 1550 | / | 960*840 | / | 65 | / | G1½" |
| 11 | BLG-16/8 | 2500 | 1400 | 1550 | / | 960*840 | / | 65 | / | G1½" |
| 12 | BLG-20/8 | 3100 | 1500 | 1700 | / | 1200*1200 | / | 80 | / | G1½" |
| 13 | BLG-24/8 | 3100 | 1500 | 1700 | / | 1200*1200 | / | 80 | / | G2" |
| 14 | BLG-26/8 | 3100 | 1600 | 1850 | / | 1500*950 | / | 80 | / | G2½" |
| 15 | BLG-30/8 | 3100 | 1600 | 1850 | / | 1500*950 | / | 80 | / | G2½" |
| 16 | BLG-0.85/10 | 1700 | 1100 | 1250 | / | 570*570 | / | 60 | / | M36-G1" |
| 17 | BLG-1.0/10 | 1700 | 1100 | 1250 | / | 570*570 | / | 60 | / | M36-G1" |
| 18 | BLG-1.5/10 | 1700 | 1100 | 1250 | / | 570*570 | / | 60 | / | M36-G1" |
| 19 | BLG-2.0/10 | 1700 | 1100 | 1250 | / | 570*570 | / | 60 | / | M36-G1" |
20 | BLG-3.0/10 | 1700 | 1100 | 1250 | / | 570*570 | / | 60 | / | M36-G1" |
| 21 | BLG-4.0/10 | 2000 | 1300 | 1350 | / | 760*760 | / | 60 | / | G1¼" |
| 22 | BLG-5/10 | 2000 | 1300 | 1350 | / | 810*930 | / | 60 | / | G1½" |
| 23 | BLG-6/10 | 2300 | 1300 | 1450 | / | 810*930 | / | 60 | / | G1½" |
| 24 | BLG-8/10 | 2300 | 1300 | 1450 | / | 810*930 | / | 60 | / | G1½" |
| 25 | BLG-10/10 | 2500 | 1400 | 1550 | / | 960*840 | / | 65 | / | G1½" |
| 26 | BLG-12/10 | 2500 | 1400 | 1550 | / | 960*840 | / | 65 | / | G1½" |
| 27 | BLG-16/10 | 3100 | 1500 | 1700 | / | 1200*1200 | / | 80 | / | G1½" |
| 28 | BLG-20/10 | 3100 | 1500 | 1700 | / | 1200*1200 | / | 80 | / | G2" |
| 29 | BLG-24/10 | 3100 | 1600 | 1850 | / | 1500*950 | / | 80 | / | G2½" |
| 30 | BLG-26/10 | 3100 | 1600 | 1850 | / | 1500*950 | / | 80 | / | G2½" |
| 31 | BLG-0.65/12.5 | 1700 | 1100 | 1250 | / | 570*570 | / | 60 | / | M36-G1" |
| 32 | BLG-0.85/12.5 | 1700 | 1100 | 1250 | / | 570*570 | / | 60 | / | M36-G1" |
| 33 | BLG-1/12.5 | 1700 | 1100 | 1250 | / | 570*570 | / | 60 | / | M36-G1" |
| 34 | BLG-1.5/12.5 | 1700 | 1100 | 1250 | / | 570*570 | / | 60 | / | M36-G1" |
| 35 | BLG-2.0/12.5 | 1700 | 1100 | 1250 | / | 570*570 | / | 60 | / | M36-G1" |
| 36 | BLG-3/12.5 | 2000 | 1300 | 1350 | / | 760*760 | / | 60 | / | G1¼" |
| 37 | BLG-4/12.5 | 2000 | 1300 | 1350 | / | 810*930 | / | 60 | / | G1½" |
| 38 | BLG-5/12.5 | 2300 | 1300 | 1450 | / | 810*930 | / | 60 | / | G1½" |
| 39 | BLG-6/12.5 | 2300 | 1300 | 1450 | / | 810*930 | / | 60 | / | G1½" |
| 40 | BLG-8/12.5 | 2500 | 1400 | 1550 | / | 960*840 | / | 65 | / | G1½" |
| 41 | BLG-10/12.5 | 2500 | 1400 | 1550 | / | 960*840 | / | 65 | / | G1½" |
| 42 | BLG-12/12.5 | 3100 | 1500 | 1700 | / | 1200*1200 | / | 80 | / | G1½" |
| 43 | BLG-16/12.5 | 3100 | 1500 | 1700 | / | 1200*1200 | / | 80 | / | G2" |
| 44 | BLG-20/12.5 | 3100 | 1600 | 1850 | / | 1500*950 | / | 80 | / | G2½" |
| 45 | BLG-24/12.5 | 3100 | 1600 | 1850 | / | 1500*950 | / | 80 | / | G2½" |
| 46 | MLGF-1.0/8 | 1700 | 1100 | 1250 | 250/300/350 | 570*570 | 600/900 | 60 | 230 | G2½" |
| 47 | MLGF-1.5/8 | 1700 | 1100 | 1250 | 250/300/350 | 570*570 | 600/900 | 60 | 230 | G2½" |
| 48 | MLGF-2.0/8 | 1700 | 1100 | 1250 | 250/300/350 | 570*570 | 600/900 | 60 | 230 | G2½" |
| 49 | MLGF-3.0/8 | 1700 | 1100 | 1250 | 250/300/350 | 570*570 | 600/900 | 60 | 230 | G2½" |
| 50 | MLGF-4.0/8 | 1700 | 1100 | 1250 | 250/300/350 | 570*570 | 600/900 | 60 | 230 | G2½" |
| 51 | MLGF-5/8 | 2000 | 1300 | 1350 | 250/300/350 | 760*760 | 600/900 | 60 | 230 | G1¼" |
| 52 | MLGF-6/8 | 2000 | 1300 | 1350 | 250/300/350 | 810*930 | 600/900 | 60 | 230 | G1½" |
| 53 | MLGF-7/8 | 2300 | 1300 | 1450 | 250/300/350 | 810*930 | 600/900 | 60 | 230 | G1½" |
| 54 | MLGF-10/8 | 2300 | 1300 | 1450 | 250/300/350 | 810*930 | 600/900 | 60 | 230 | G1½" |
| 55 | MLGF-13/8 | 2500 | 1400 | 1550 | 250/300/350 | 960*840 | 600/900 | 65 | 230 | G1½" |
| 56 | MLGF-16/8 | 2500 | 1400 | 1550 | 250/300/350 | 960*840 | 600/900 | 65 | 230 | G1½" |
| 57 | MLGF-20/8 | 3100 | 1500 | 1700 | 250/300/350 | 1200*1200 | 600/900 | 80 | 230 | G1½" |
| 58 | MLGF-24/8 | 3100 | 1500 | 1700 | 250/300/350 | 1200*1200 | 600/900 | 80 | 230 | G2" |
| 59 | MLGF-26/8 | 3100 | 1600 | 1850 | 250/300/350 | 1500*950 | 600/900 | 80 | 230 | G2½" |
| 60 | MLGF-30/8 | 3100 | 1600 | 1850 | 250/300/350 | 1500*950 | 600/900 | 80 | 230 | G2½" |
| 61 | MLGF-0.85/10 | 1700 | 1100 | 1250 | 250/300/350 | 570*570 | 600/900 | 60 | 230 | G2½" |
| 62 | MLGF-1.0/10 | 1700 | 1100 | 1250 | 250/300/350 | 570*570 | 600/900 | 60 | 230 | G2½" |
| 63 | MLGF-1.5/10 | 1700 | 1100 | 1250 | 250/300/350 | 570*570 | 600/900 | 60 | 230 | G2½" |
| 64 | MLGF-2.0/10 | 1700 | 1100 | 1250 | 250/300/350 | 570*570 | 600/900 | 60 | 230 | G2½" |
65 | MLGF-3.0/10 | 1700 | 1100 | 1250 | 250/300/350 | 570*570 | 600/900 | 60 | 230 | G2½" |
| 66 | MLGF-4.0/10 | 2000 | 1300 | 1350 | 250/300/350 | 760*760 | 600/900 | 60 | 230 | G1¼" |
| 67 | MLGF-5/10 | 2000 | 1300 | 1350 | 250/300/350 | 810*930 | 600/900 | 60 | 230 | G1½" |
| 68 | MLGF-6/10 | 2300 | 1300 | 1450 | 250/300/350 | 810*930 | 600/900 | 60 | 230 | G1½" |
| 69 | MLGF-8/10 | 2300 | 1300 | 1450 | 250/300/350 | 810*930 | 600/900 | 60 | 230 | G1½" |
| 70 | MLGF-10/10 | 2500 | 1400 | 1550 | 250/300/350 | 960*840 | 600/900 | 65 | 230 | G1½" |
| 71 | MLGF-12/10 | 2500 | 1400 | 1550 | 250/300/350 | 960*840 | 600/900 | 65 | 230 | G1½" |
| 72 | MLGF-16/10 | 3100 | 1500 | 1700 | 250/300/350 | 1200*1200 | 600/900 | 80 | 230 | G1½" |
| 73 | MLGF-20/10 | 3100 | 1500 | 1700 | 250/300/350 | 1200*1200 | 600/900 | 80 | 230 | G2" |
| 74 | MLGF-24/10 | 3100 | 1600 | 1850 | 250/300/350 | 1500*950 | 600/900 | 80 | 230 | G2½" |
| 75 | MLGF-26/10 | 3100 | 1600 | 1850 | 250/300/350 | 1500*950 | 600/900 | 80 | 230 | G2½" |
| 76 | MLGF-0.65/12.5 | 1700 | 1100 | 1250 | 250/300/350 | 570*570 | 600/900 | 60 | 230 | G2½" |
| 77 | MLGF-0.85/12.5 | 1700 | 1100 | 1250 | 250/300/350 | 570*570 | 600/900 | 60 | 230 | G2½" |
| 78 | MLGF-1/12.5 | 1700 | 1100 | 1250 | 250/300/350 | 570*570 | 600/900 | 60 | 230 | G2½" |
| 序号 | 型号 | 长(mm)A | 宽(mm)B | 高(mm)C | 防爆导轨轮直径(mm)D | 换热器排风孔(mm)(长*宽)E*F | 轮距(mm)G | 进线口直mmH | 防撞装置长度mmM | 出气孔N |
| 79 | MLGF1.5/12.5 | 1700 | 1100 | 1250 | 250/300/350 | 570*570 | 600/900 | 60 | 230 | G2½" |
| 80 | MLGF-2.0/12.5 | 1700 | 1100 | 1250 | 250/300/350 | 570*570 | 600/900 | 60 | 230 | G2½" |
| 81 | MLGF-3/12.5 | 2000 | 1300 | 1350 | 250/300/350 | 760*760 | 600/900 | 60 | 230 | G1¼" |
| 82 | MLGF-4/12.5 | 2000 | 1300 | 1350 | 250/300/350 | 810*930 | 600/900 | 60 | 230 | G1½" |
| 83 | MLGF-5/12.5 | 2300 | 1300 | 1450 | 250/300/350 | 810*930 | 600/900 | 60 | 230 | G1½" |
| 84 | MLGF-6/12.5 | 2300 | 1300 | 1450 | 250/300/350 | 810*930 | 600/900 | 60 | 230 | G1½" |
| 85 | MLGF-8/12.5 | 2500 | 1400 | 1550 | 250/300/350 | 960*840 | 600/900 | 65 | 230 | G1½" |
| 86 | MLGF-10/12.5 | 2500 | 1400 | 1550 | 250/300/350 | 960*840 | 600/900 | 65 | 230 | G1½" |
| 87 | MLGF-12/12.5 | 3100 | 1500 | 1700 | 250/300/350 | 1200*1200 | 600/900 | 80 | 230 | G1½" |
| 88 | MLGF-16/12.5 | 3100 | 1500 | 1700 | 250/300/350 | 1200*1200 | 600/900 | 80 | 230 | G2" |
| 89 | MLGF-20/12.5 | 3100 | 1600 | 1850 | 250/300/350 | 1500*950 | 600/900 | 80 | 230 | G2½" |
| 90 | MLGF-24/12.5 | 3100 | 1600 | 1850 | 250/300/350 | 1500*950 | 600/900 | 80 | 230 | G2½" |



